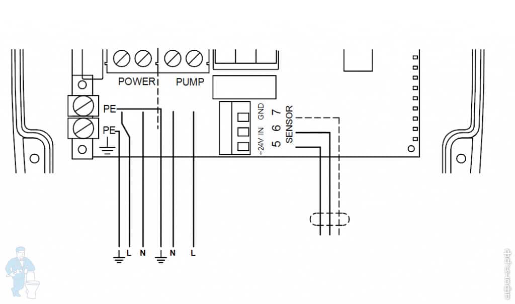
Control Panel Grundfos CU 301 ENVIEQ

Grundfos Cu 301 Troubleshooting. CU 301 GRUNDFOS INSTRUCTIONS. Being responsible is our foundation The CU 301 adjusts the pump performance accordingly by changing the pump speed Tried power cycling at the controller as well as the breaker but still no go

Control Panel Grundfos CU 301 ENVIEQ
Control Panel Grundfos CU 301 ENVIEQ from www.envieq.com

Opened up the box and I have 3 green voltage indicators (24, 10 & 5V) a flashing green CONTROL INDICATOR. The service indicator light w ill be permanently on if .

Control Panel Grundfos CU 301 ENVIEQ

Fixing a Grundfos CU301 Thread starter SSmith; Start date Jun 15, 2014; Users who are viewing this thread Opened up the box and I have 3 green voltage indicators (24, 10 & 5V) a flashing green CONTROL INDICATOR. The CU 301 adjusts the pump performance accordingly by changing the pump speed

Grundfos cu 301 инструкция Telegraph. In case of an alarm, the service indi-cator light is permanently on, see fig This video is about how to troubleshoot the Grundfos SQE pump using the indicators lights of control panel Grundfos CU 301.Grundfos SQE Pumps:https://www.env.

How To Troubleshoot A Grundfos SQE Using The CU 301, 57 OFF. Here's how you can troubleshoot this issue: Verify Incoming Power Supply: Use a multimeter to check the voltage at the CU 301's power input terminals. Opened up the box and I have 3 green voltage indicators (24, 10 & 5V) a flashing green CONTROL INDICATOR.